結局、悩んだ挙句、タカチ電機工業で加工してもらうのは断念しました。
私は普段、付き合いのある金属加工業者がありますが、そこは精密板金でも1/10mmオーダーの精度で加工してくれます。
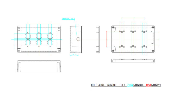
金属加工の板金とは、下画像のような曲げ加工のあるもので、これは公差が出やすい加工法になります↓
ものは試しに相談してみたら、部材持ち込みでも対応してくれるとの事。
結構、部材持ち込みは嫌がる業者が多いです。個人からの依頼では断られる事も・・・・
その業者は普段、自動車用エンジン部品を作っていて、1/100、1/1000オーダーで加工など当たり前なので安心して任せられます。
まあ、オーディオごときにそんな精度は必要ないし、オーバークオリティは価格の無意味な上昇を招きます。
とりあえず、タカチ電機工業からはケースだけ仕入れて、金属加工場に送って仕上げてもらう事にしました。
ケースの納品日程の関係で、先に某Z社のオマージュ電源ボックスを作ります↓
本命のケースは受注生産で2か月待ちなので、オマージュ電源ボックスでしばらく遊んで、本命が来たらオークションにでも流します。
未使用の壁コンセントがまだあるので、組み込んで内部を純銀配線して完成品で出品したら、そこそこ値が付くのではないかと(希望的観測w)。



コメント ※編集/削除は管理者のみ